欢迎光临瑞安市天蓝环保设备有限公司网站!
热门搜索: 卸料器 卸灰阀 旋转阀 关风机 卸料阀 叶轮给料机 星型卸料器 刀型闸阀 插板阀 卸料器厂家
产品中心
联系方式
瑞安市天蓝环保设备有限公司
联系人:詹碧涛
热线电话:0577-65007068
传 真:0577-65007078
手 机:13335773555
网  址  :  www.ratlhb.com
公司地址:浙江省瑞安市阁巷高新区东二路111号
卸料器(旋转阀)系列当前位置: 首页> 产品展示 > 卸料器(旋转阀)系列

YJD-HX系列卸灰阀

时间:2021-07-05 12:07   作者:admin 点击:7421 次

JD-HX系列卸灰阀(chain wheel rotary valves)产品介绍:
YJD-HX系列卸灰阀是除尘设备排灰、送风及其他设备给料的主要设备,适用于粉状物料和颗料状物料。
 
YJD-HX系列卸灰阀工作原理:
卸灰阀分普通型、耐压型、耐高温型三大类。卸灰阀可以以匀速驱动,按照控制速率连续排出物料,或者以不定的速度驱动,将卸灰阀作为喂料机使用;
卸灰阀普通型:可以用在150度以下及常温的通常物料上,可以连续均匀向输料管内供料,而在系统和分离收尘部,它又可以作为卸料器功能;
卸灰阀耐压型:它采用封闭型转子,可以广泛用在吸送式、压送式气流输送系统和负压输送设备上,卸灰阀可以保证输送管内的气流压力不泄漏,能够安全的输送和收结物料,它不但可以耐压,同时兼备普通型功能。
 
YJD-HX系列卸灰阀特点:
1、卸灰阀通过采用行星转动原理,输入输出在同一轴线上,而且有与电机直联一体的独特性,因而结构紧凑造型美观新颖、体积小、重量轻.
2、卸灰阀运转可靠平稳、噪音低、故障少、寿命长、齿合件采用球墨铸铁与轴承钢等.使用性能好、耐磨性高.
3、轴承、齿箱、远离阀体、避免高温灰尘的影响,前后端盖密封性能好,防止灰尘外泄,延长机动件、润滑系统的使用寿命.
4、卸灰阀具有过载能力强,耐冲击惯性力矩小,适用于起动频繁和反正转.
5、用户如需特种规格,电机、链轮传动等卸料器,均可制做.

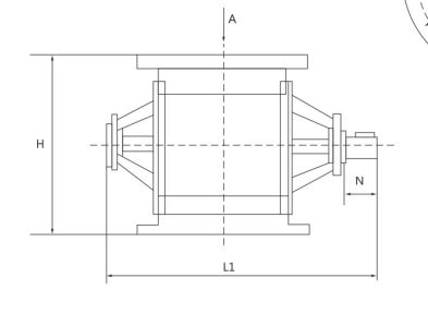
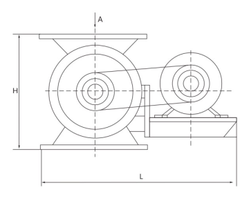
YJD-HX系列卸灰阀产品
示意图:

YJD-HX系列卸灰阀(chain wheel rotary valves)主要技术参数 Main Techanical Variables

瑞安市天蓝环保设备有限公司主营:卸料器、卸灰阀、星型卸灰阀、卸料阀、瑞安卸料器等系列产品,“天蓝环保、净化全球”,客服热线:0577-65007068

copyright 2016-2020 瑞安市天蓝环保设备有限公司 all right 技术支持:杭州维军网络传媒有限公司
联系人:詹碧涛 热线电话:0577-65007068 传 真:0577-65007078
手机:13335773555 地址: 浙江省瑞安市阁巷高新区东二路111号
公司网址:www.ratlhb.com 京ICP证000000号