欢迎光临瑞安市天蓝环保设备有限公司网站!
热门搜索: 卸料器 卸灰阀 旋转阀 关风机 卸料阀 叶轮给料机 星型卸料器 刀型闸阀 插板阀 卸料器厂家
产品中心
联系方式
瑞安市天蓝环保设备有限公司
联系人:詹碧涛
热线电话:0577-65007068
传 真:0577-65007078
手 机:13335773555
网  址  :  www.ratlhb.com
公司地址:浙江省瑞安市阁巷高新区东二路111号
卸料器(旋转阀)系列当前位置: 首页> 产品展示 > 卸料器(旋转阀)系列

气力输送旋转阀

时间:2021-01-14 21:11   作者:admin 点击:4445 次

RVA型气动输送旋转阀产品概述 RVC Rotary Valve SeriesProduct Instroduction:

PVA型气动输送旋转阀又称直吹式旋转阀,用于粉状物料的气力输送系统中作为加料装置,压差zui大不超过0.12MPa,工作温度≤100℃。It is applied to add powder material for pneumatic conveying system. The maxdifferent pressure is ;ess than 0.12Mpa; working temperature ≤100℃.

1.多标准圆形法兰接口及多形式结构转子

2.优化设计的进料口和直吹通道

3.材质采用不锈钢或碳钢,坚固耐用

4.zui小化的转子间隙将泄漏量降到zui低

5.高填充效率,通道压力损失小

1.It has round flange and round mouth; the body can match different type of Rotors.

2.Good design for eagle mouth inlet and direct air passage

3.Material in carbon steel or stainless steel Keeps solid durability.

4.Minimum gap between blade and body can lock the air efficiently.

5.High efficiency in discharging and avoiding jam, plus direct air passage keep high 

   efficiency in conveying system.

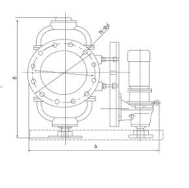
RVA型气动输送旋转阀产品示意图:

RVC Rotary Valve SeriesProduct Schematic Drawing


RVA型气动输送旋转阀的漏气量估算值

RVA-Rotaty valve air leakage value


RVA型气动输送旋转阀主要技术参数Main Technical parameters 


瑞安市天蓝环保设备有限公司主营:卸料器、卸灰阀、星型卸灰阀、卸料阀、瑞安卸料器等系列产品,“天蓝环保、净化全球”,客服热线:0577-65007068


copyright 2016-2020 瑞安市天蓝环保设备有限公司 all right 技术支持:杭州维军网络传媒有限公司
联系人:詹碧涛 热线电话:0577-65007068 传 真:0577-65007078
手机:13335773555 地址: 浙江省瑞安市阁巷高新区东二路111号
公司网址:www.ratlhb.com 京ICP证000000号