Overview of electric slurry valve:
The electric slurry valve is advanced in structure, reliable in quality, flexible in operation, and easy to assemble and disassemble. It is made of high-quality carbon steel with good strength, good performance and long service life. The gate is mainly composed of frame, gate, DT electric push rod, cylinder or electro-hydraulic device and other parts. When working, the power or the gas pressure in the cylinder changes. Make the ram move to and fro in the horizontal direction to achieve the purpose of opening and closing the valve. It can be widely used in the pipeline of dust material flow control in building materials, metallurgy, mining and other industries. It is an ideal equipment to control the dust material flow.
Description for model compilation of electro-hydraulic / qtlvds-0.1 pneumatic single and two-way flat gate valve:
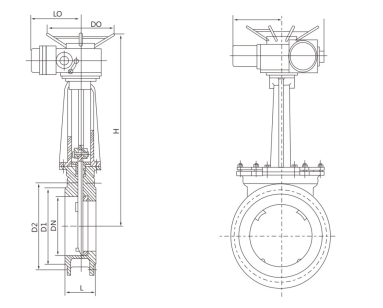
Product diagram of electro hydraulic / qtlvds-0.1 pneumatic single and two way flat gate valve:
Main technical parameters of electro-hydraulic / qtlvds-0.1 pneumatic single and two-way flat gate valve:
Ruian Tianlan environmental protection equipment Co., Ltd. is mainly engaged in a series of products such as discharger, ash discharge valve, star type ash discharge valve and Ruian discharger, "Tianlan environmental protection and global purification", customer service hotline: 0577-65007068